[User Guide] Anderic RR850LM Universal Garage Door Opener Remote Control Add-on Kit
This article applies to the Anderic RR850LM Universal Garage Door Opener Remote Control Add-on Kit.
Installation
The receiver and antenna use TV Type F coaxial connectors. The antenna can be connected directly to the receiver, or it can be installed remotely using a coaxial cable extension kit (Model 86LM, 15 ft. or 86LMT, 25 ft.).
- Select a location for the receiver that allows access to the terminals and space for the antenna. Ensure the antenna does not touch metal surfaces. DO NOT bend or fold the antenna.
- Fasten the receiver securely with the hook and loop fasteners (provided) or screws (not provided).
- After installation is complete, connect the power. You may use 85LM plug-in or 95LM wired-in transformer, or power provided from your operator (9-30 V AC, 9-34 Vdc or see power ratings on next page).
NOTE: The receiver can command the operator to close the door or gate by constant pressure. This feature is only available with a wireless control panel (Model 885LM). To enable this feature, press and hold the push bar until the gate or garage door moves to the closed position.
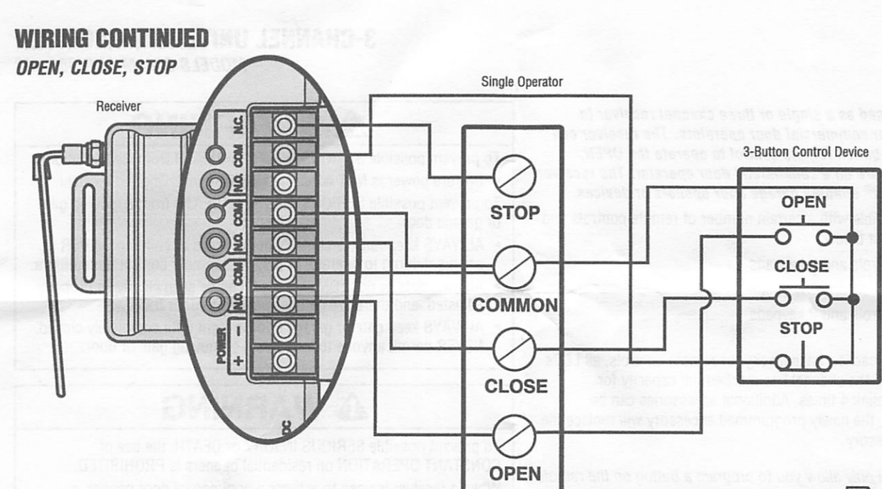
Wiring
Refer to your commercial door operator or gate operator owner's manual or wiring diagrams for specific wiring information.


Programming
PROGRAM A SINGLE-BUTTON REMOTE CONTROL
- Press and hold the Learn button for the selected channel on the receiver. The corresponding LED will glow steadily for 30 seconds.
- Within 30 seconds, press and hold the button on the remote control that you wish to program to the receiver.
- Release the remote control button when the LED on the receiver blinks, then turns off. Programming is complete.
Repeat the steps above for each remote control you would like to program.
PROGRAM A 3-BUTTON REMOTE CONTROL AS OPEN, CLOSE, AND STOŠ
- Press and hold the CH1 Learn button on the receiver, LED on.
- Within 30 seconds, press the desired OPEN button on the remote control.
- Press and hold the CH2 Learn button on the receiver, LED on.
- Within 30 seconds, press the desired CLOSE button on the remote control.
- Press and hold the CH3 Learn button on the receiver, LED on.
- Within 30 seconds, press the desired STOP button on the remote control.
NOTE: If a remote control button is not pressed within 30 seconds, the LED next to the selected Learn button will turn OFF. In that case, repeat the programming.
Programming to the GUK-R Keypad
When programming the GUK-R keypad, follow the instructions in the Keypad's manual for the YELLOW learn key.
